מדריך איה FASTENERS|מדוע לבחור אגוז נעילה משושה מוסיף ניילון מבית AYA FASTENERS?
Mar 17, 2023
אום הנעילה המשושה מוסיף ניילון הוא מחבר שנוצר כדי להציע קישורים בטוחים במגוון רחב של יישומים. אום זה עשוי ממסגרת מתכת בצורת משושה וליבת ניילון המונעת תזוזה מתנועה ולחצים נוספים.
תיאור מוצרים EMAIL: SALES@AYAFASTENERS.COM
הגוף המשושה של מגוון האגוזים הזה מאפשר להדק או לשחרר אותו בקלות באמצעות מברג או סט צבת. שיבוץ הניילון, הידוע בדרך כלל כנעילת מומנט דומיננטית, ממוקם בחלק העליון של האום ועשוי לאחוז בחוזקה בחוט הבורג, האוסר על ביטול האום בגלל תנועה.
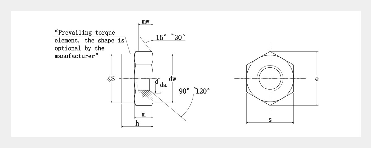
טבלת מימדים של אגוזי אגוז משושה להכנסת ניילון(DIN 985) EMAIL: SALES@AYAFASTENERS.COM

| גודל חוט d |
M3 | M4 | M5 | M6 | M7 | M8 | M10 | M12 | M14 | M16 | M18 | ||||
| P | גובה הצליל | חוט גס | 0.5 | 0.7 | 0.8 | 1 | 1 | 1.25 | 1.5 | 1.75 | 2 | 2 | 2.5 | ||
| חוט דק 1 | / | / | / | / | / | 1 | 1 | 1.5 | 1.5 | 1.5 | 2 | ||||
| חוט דק 2 | / | / | / | / | / | / | 1.25 | 1.25 | / | / | 1.5 | ||||
| דה | דקה | 3 | 4 | 5 | 6 | 7 | 8 | 10 | 12 | 14 | 16 | 18 | |||
| מקסימום | 3.45 | 4.6 | 5.75 | 6.75 | 7.75 | 8.75 | 10.8 | 13 | 15.1 | 17.3 | 19.5 | ||||
| dw | דקה | 4.6 | 5.9 | 6.9 | 8.9 | 9.6 | 11.6 | 15.6 | 17.4 | 20.5 | 22.5 | 24.9 | |||
| e | דקה | 6.01 | 7.66 | 8.79 | 11.05 | 12.12 | 14.38 | 18.9 | 21.1 | 24.49 | 26.75 | 29.56 | |||
| h | מקסימום=גודל נומינלי | 4 | 5 | 5 | 6 | 7.5 | 8 | 10 | 12 | 14 | 16 | 18.5 | |||
| דקה | 3.7 | 4.7 | 4.7 | 5.7 | 7.14 | 7.64 | 9.64 | 11.57 | 13.3 | 15.3 | 17.66 | ||||
| m | דקה | 2.4 | 2.9 | 3.2 | 4 | 4.7 | 5.5 | 6.5 | 8 | 9.5 | 10.5 | 13 | |||
| mw | דקה | 1.65 | 2.2 | 2.75 | 3.3 | 3.85 | 4.4 | 5.5 | 6.6 | 7.7 | 8.8 | 9.9 | |||
| s | מקסימום=גודל נומינלי | 5.5 | 7 | 8 | 10 | 11 | 13 | 17 | 19 | 22 | 24 | 27 | |||
| דקה | 5.32 | 6.78 | 7.78 | 9.78 | 10.73 | 12.73 | 16.73 | 18.67 | 21.67 | 23.67 | 26.16 | ||||
| גודל חוט d |
M20 | M22 | M24 | M27 | M30 | M33 | M36 | M39 | M42 | M45 | M48 | ||||
| P | גובה הצליל | חוט גס | 2.5 | 2.5 | 3 | 3 | 3.5 | 3.5 | 4 | 4 | 4.5 | 4.5 | 5 | ||
| חוט דק 1 | 2 | 2 | 2 | 2 | 2 | 2 | 3 | 3 | 3 | 3 | 3 | ||||
| חוט דק 2 | 1.5 | 1.5 | / | / | / | / | / | / | / | / | / | ||||
| דה | דקה | 20 | 22 | 24 | 27 | 30 | 33 | 36 | 39 | 42 | 45 | 48 | |||
| מקסימום | 21.6 | 23.7 | 25.9 | 29.1 | 32.4 | 35.6 | 38.9 | 42.1 | 45.4 | 48.6 | 51.8 | ||||
| dw | דקה | 27.7 | 29.5 | 33.2 | 38 | 42.7 | 46.6 | 51.1 | 55.9 | 60.6 | 64.7 | 69.4 | |||
| e | דקה | 32.95 | 35.03 | 39.55 | 45.2 | 50.85 | 55.37 | 60.79 | 66.44 | 72.09 | 76.95 | 82.6 | |||
| h | מקסימום=גודל נומינלי | 20 | 22 | 24 | 27 | 30 | 33 | 36 | 39 | 42 | 45 | 48 | |||
| דקה | 18.7 | 20.7 | 22.7 | 25.7 | 28.7 | 31.4 | 34.4 | 37.4 | 40.4 | 43.4 | 46.4 | ||||
| m | דקה | 14 | 15 | 15 | 17 | 19 | 22 | 25 | 27 | 29 | 32 | 36 | |||
| mw | דקה | 11 | 12.2 | 13.2 | 14.8 | 16.5 | 18.2 | 19.8 | 21.5 | 23.1 | 24.8 | 26.5 | |||
| s | מקסימום=גודל נומינלי | 30 | 32 | 36 | 41 | 46 | 50 | 55 | 60 | 65 | 70 | 75 | |||
| דקה | 29.16 | 31 | 35 | 40 | 45 | 49 | 53.8 | 58.8 | 63.8 | 68.1 | 73.1 | ||||
| ①, דרגת מוצר: פחות או שווה ל-M 16: Class A >M 16: Class B ②, חומר: פלדה, דרגת נכס: פחות או שווה ל-M39: 5,6*,8,10; > M39: בהסכם. DIN רגיל 267-4 * רק לאגוזים עם חוט עדין חומר (הוספה): לא מתכתי, למשל פוליאמיד |
|||||||||||||||
מאפיינים עיקריים של אום נעילה משושה להוספת ניילון EMAIL: SALES@AYAFASTENERS.COM
כמו כל סוג של אגוז, גם לאגוז זה יש כמה תכונות מיוחדות שמבדילות אותו משאר סוגי האגוזים. חלק מהמאפיינים העיקריים של אגוז הנעילה משושה מוסיף ניילון כוללים את הגוף המשושה שלו, מה שהופך את ההתקנה וההסרה של האום לפשוטה וללא טרחה.
יתר על כן, ליבת הניילון המדוברת היא תכונת גולת הכותרת של אגוז מסוג זה מכיוון שהיא יוצרת אחיזה הדוקה סביב חוט הבורג, ובכך מאבטחת אותו בצורה הרבה יותר יציבה. אום הנעילה המשושה מניילון הוא אפילו עמיד בפני קורוזיה אשר ניתן להשתמש בה במספר יישומים המתפרשים על תעשיות שונות. הסיבה לכך היא שאגוז זה יכול לעמוד בשינויים סביבתיים מבלי להתפשר על האפקטיביות.
לבסוף, האגוזים הללו עמידים להפליא מכיוון שהם עשויים מחומרי גלם איכותיים. האופי המתמשך שלהם הופך אותם להשקעה ראויה.
היתרונות של אגוז נעילה משושה להכנסת ניילון EMAIL: SALES@AYAFASTENERS.COM
לאור האיכות הגבוהה והרב-גוניות שלהם, אגוזים אלו מציעים מגוון יתרונות, לרבות:
●התקנה והסרה של האום באמצעות מפתח ברגים או צבת נעשית פשוטה על ידי הצורה המשושה של גוף האום.
●החדרת הניילון שלו יוצרת נעילת מומנט המחזיקה היטב את הברגים ומונעת התפרקות, ומגינה על האום מפני התרופפות.
●אחיזה משופרת: האומים הללו משפרים למעשה את האחיזה של האום והבורג זה בזה. לכן זה כנראה יימשך הרבה יותר זמן ויהיה מאתגר יותר להיפוך.
●זה עשוי להפחית את הסבירות לדליפות: אגוזים אלה עוזרים להפחית את האפשרות של נוזלים לחלחל דרך ההשחלה. כל המכלול נשמר יבש כתוצאה מכך.

יישומים EMAIL: SALES@AYAFASTENERS.COM
כאשר יש צורך בחיבור מאובטח, אגוז הנעילה משושה מוסיף ניילון משמש במגוון יישומים. להלן אזורים שבהם נעשה שימוש לרוב באגוזים אלה:
תעשיית הרכב:אגוזים אלה משמשים בדרך כלל בעסקי הרכב כדי להחזיק אלמנטים רבים, כולל גלגלים, בלמים וחלקי מנוע, במקומם.
מכונות תעשייתיות:אגוזים אלה משמשים גם במגוון יישומי מכונות תעשייתיות. במגזר זה, הם משמשים כדי להחזיק רכיבים במקומם ולמנוע מהם לקשקש כתוצאה מרטט.
תעשיית הבנייה:צורות בטון, פיגומים, קורות פלדה ורכיבים אחרים מאובטחים כולם באומים בתעשיית הבנייה. אגוזים אלה נמצאים בשימוש נפוץ מאוד בתעשייה זו.
ציוד אלקטרוני:אגוזים אלה משרתים מגוון רחב של תפקידים ברכיבים אלקטרוניים. לדוגמה, ניתן להשתמש באגוזים אלה כדי להדק חלקים כמו שנאים ומתקני מיתוג.
מחפשים מחברים?
לחץ למטה כדי לעיין בקטלוג המחברים הנרחב של AYA FASTENERS, כולל מוצרי ברגים, ברגים, דסקיות ואומים איכותיים.
טל: פלוס 86-311-85870676
WhatsApp/WeChat: פלוס 8615823215841
Email: sales@ayafasteners.com
כתובת: מחוז הביי, סין


