בורג מכונת ראש מסבך מחורץ
תקן: JIS B 1101
סוג חוט: חוט גס / חוט דק
אורך חוט: חוט מלא
סחורה: בורג מכונת ראש מסבך מחורץ
נקראים גם: ברגי ראש מסבך מחורצים
חומר: פלדת פחמן
דרגת נכסים: 4.6/4.8, 5.6, 5.8, 6.8, 8.8, 9.8, 10.9, 12.9
קוטר: M2, (M2.2), M2.5, M3, (M3.5), M4, (M4.5), M5, M6, M8
גימור: רגיל, תחמוצת שחורה, ציפוי אבץ, מגולוון טבילה חמה, חמצון, דאקרומט, פוספטינג, קדמיום אלקטרופלט, ציפוי ניקל
סוג ראש: ראש מסבך
סוג כונן: חריץ פנימי
MOQ: 1000 ק"ג
זמן אספקה: 30 עד 60 ימים
הצגת המוצר

כספק עולמי של פתרונות הידוק מותאמים, תהליך השירות של AYA גם קרוב ללקוחות כמו המוצרים של AYA. החל מתיאור הצרכים ועד לשירותי המעקב, א.א.א תעשה מיידית ולא תחסוך מאמץ כדי לסייע ללקוחות לפתור כל בעיות הידוק שיתעוררו, כדי למנוע את הדאגה של הלקוחות.
תיאור מוצר
| שם מוצר | בורג מכונת ראש מסבך מחורץ |
| גם בשם | ברגי ראש מסבך מחורצים |
| חוֹמֶר | פלדת פחמן |
| תֶקֶן | JIS B 1101 |
| מחלקת נכסים | 4.6/4.8, 5.6, 5.8, 6.8, 8.8, 9.8, 10.9, 12.9 |
|
קוֹטֶר |
M2, (M2.2), M2.5, M3, (M3.5), M4, (M4.5), M5, M6, M8 |
| סיים | רגיל, תחמוצת שחורה, ציפוי אבץ, מגולוון טבילה חמה, חמצון, דאקרומט, פוספטינג, קדמיום אלקטרופלט, ציפוי ניקל |
| סוג ראש | ראש מסבך |
| סוג כונן | חריץ פנימי |
| סוג חוט | חוט גס / חוט דק |
| אורך חוט | השרשור המלא |
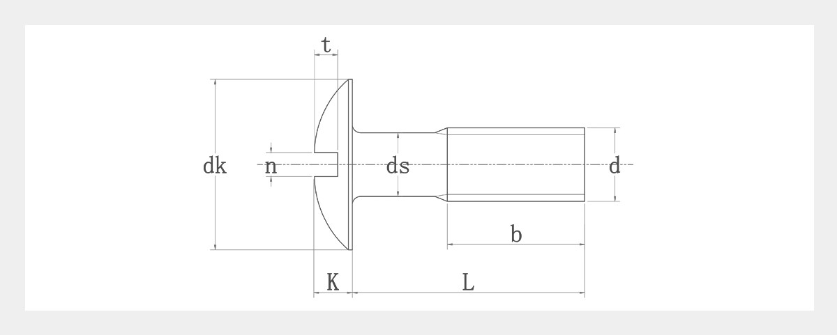
טבלת מימדים

| קוטר נומינלי d |
M2 | (M2.2) | M2.5 | M3 | (M3.5) | M4 | (M4.5) | M5 | M6 | M8 | |
| P | גובה הצליל | 0.4 | 0.45 | 0.45 | 0.5 | 0.6 | 0.7 | 0.75 | 0.8 | 1 | 1.25 |
| dk | מקסימום=גודל נומינלי | 4.5 | 5 | 5.7 | 6.9 | 8.1 | 9.4 | 10.6 | 11.8 | 14 | 17.8 |
| מינימום | 4.1 | 4.6 | 5.3 | 6.4 | 7.6 | 8.9 | 10 | 11.2 | 13.3 | 17 | |
| k | גודל נומינלי | 1.2 | 1.3 | 1.5 | 1.9 | 2.2 | 2.5 | 2.8 | 3.1 | 3.7 | 4.8 |
| מקסימום | 1.3 | 1.4 | 1.6 | 2.05 | 2.35 | 2.65 | 2.95 | 3.25 | 3.9 | 5 | |
| מינימום | 1.1 | 1.2 | 1.4 | 1.75 | 2.05 | 2.35 | 2.65 | 2.95 | 3.5 | 4.6 | |
| n | מקסימום | 0.75 | 0.75 | 0.95 | 0.95 | 1.15 | 1.15 | 1.15 | 1.4 | 1.4 | 1.8 |
| מינימלי=גודל נומינלי | 0.6 | 0.6 | 0.8 | 0.8 | 1 | 1 | 1 | 1.2 | 1.2 | 1.6 | |
| t | גודל נומינלי | 0.6 | 0.65 | 0.75 | 0.95 | 1.1 | 1.25 | 1.4 | 1.6 | 1.9 | 2.4 |
| מקסימום | 0.7 | 0.75 | 0.85 | 1.1 | 1.25 | 1.45 | 1.6 | 1.85 | 2.2 | 2.8 | |
| מינימום | 0.5 | 0.55 | 0.65 | 0.8 | 0.95 | 1.05 | 1.2 | 1.35 | 1.6 | 2 | |
פרטי מוצר

יתרונות המוצר

היתרונות של בורג מכונת ראש מסבך מחורץ
1. ברגים ראשי מסבך הם הטובים ביותר לתיקון מחרטות מתכת.
2. ראש הבורג הוא בצורת כיפה, והוא נמוך למדי עבור רוב היישומים. עבור פרויקטים הזקוקים לכלים המונעים ביד, ברגים מחורצים יכולים להיות בחירה מושלמת.
3. מכיוון שלבורג יש ראש רחב, הוא עוזר לכסות חורים גדולים יותר.
4. לגוף של בורג מכונת ראש המסבך שלנו יש גימור אטרקטיבי.
5. ל-AYA FASTENERS יש מלאי גדול של ברגים למכונת ראשי מסבך.
6. אנו מבטיחים אספקה מהירה יותר של הברגים ליעדך.
בדיקת איכות

אריזה וטעינת מיכלים

תרחישי שימוש

למה איה?
AYA מספקת שירותים בלעדיים ל-1000 פלוס חברים מכל העולם מדי שנה, עם מערכת פתרונות שירות רשת ייחודית, רק צריך ללחוץ על העכבר כדי לקבל פתרונות הידוק בלעדיים וליהנות משירותים מדלת לדלת.
תגיות פופולריות: בורג מכונת ראש מסבך מחורץ, סין, ספקים, יצרנים, מפעל, לקנות, מחיר, למכירה, תוצרת סין














